0
0
Все представленные в каталоге модели станков и оборудования являются нашими разработками и производятся исключительно ПОД ТОРГОВОЙ МАРКОЙ EVOLUTIONER™ 

Станок для ребер жесткости

Отзывы:
(0)
  • Производитель: ЭВОЛЮЦИОНЕР™
  • Модель: Ребра жесткости
  • Наличие: Есть в наличии

Вес: 151кг
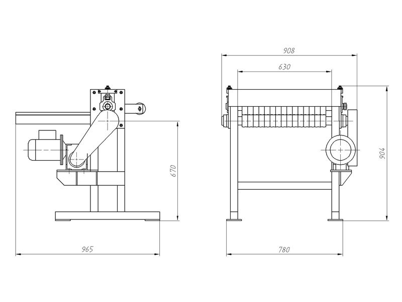
Размер (ДхШхВ): 97см x 91см x 91см
130 000.00 грн.
Нашли дешевле?
Купить в один клик
Введите номер телефона и мы перезвоним
  • Обзор товара
  • Характеристики
  • Видео
  • Отзывов (0)
  • Вопросы (0)
  • Похожие товары

Станок для ребер жесткости используется для формирования ребер жесткости на картинах двойного стоячего фальца, используемых при монтаже фальцевой кровли. Стандартные панели двойного стоячего фальца прокатываются на кровельном фальцепрокатном станке без ребер жесткости, но опционально на фальцепрокатный станок для кровли можно поставить дополнительную клеть для ребер жесткости и прокатывать два ребра по центру панели, обеспечивая тем самым большую жесткость картине и придавая интересный внешний вид. Но при строительстве зданий и сооружений различной конфигурации и использовании различного материала для прокатки кровельных панелей бывает необходимость не так увеличить жесткость панели, как изменить немного дизайн картины и кровли соответственно. Для этого мы предлагаем станок для прокатки ребер жесткости, который предназначен для прокатки уже на готовой кровельной панели небольших ребер жесткости по всей ширине картины. В результате такая панель очень интересно смотрится на кровле и фасаде здания украшая его необычный дизайн и выделяя среди других сооружений. Так же станок для ребер жесткости поможет скрыть недостатки некачественного материала после прокатки, сгладив все неровности.

Станок для изготовления ребер жесткости предназначен для работы с кровельными картинами максимальной шириной 625мм. Но при необходимости его можно настроить на прокатку более узких картин, убрав ненужное количество прокатных роликов.

Станок для ребер жесткости используется в комбинации с фальцепрокатным кровельным станком. Кровельная картина необходимой длины и ширины предварительно прокатывается на фальцепрокатном станке для кровли и уже после формирования замка готовая кровельная панель прокатывается на станке для ребер жесткости получая на выходе ребра жесткости необходимых размеров. Таким образом приобретая станок для ребер жесткости нашего производства, заказчик получает возможность расширить ассортимент выполняемых кровельных работ, улучшить дизайн зданий и получать больше заказов от потенциальных клиентов.

Станок для формирования ребер жесткости может быть изготовлен как с двигателем на 380, так и на 220В.

Станок является небольшим и мобильным что позволяет выполнять работы по прокатке прямо на строительном участке.

Характеристики
Материал
Толщина материала (мм) 0,8
Видео
Отзывов (0)

Нет отзывов о данном товаре.

Вопросы (0)

Нет вопросов о данном товаре, станьте первым и задайте свой вопрос.

Вы смотрели
0
130 000.00 грн.
0
235 000.00 грн.
0
260 000.00 грн.
0
208 000.00 грн.
Модули для Opencart