0.00 грн.
Оформить заказ- Производитель: ЭВОЛЮЦИОНЕР™
- Модель: РГ-ДНЕПР-1400
- Наличие: Есть в наличии
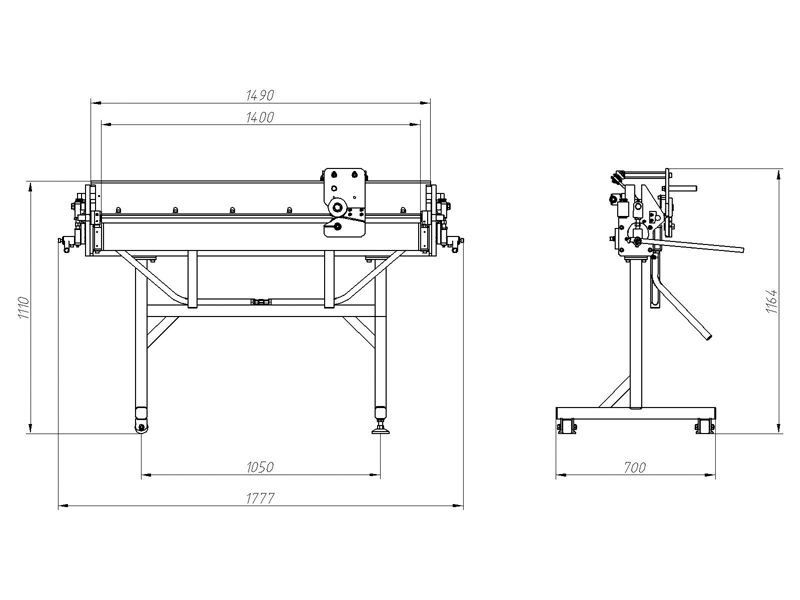
Вес: 161кг
Размер (ДхШхВ): 1800см x 110см x 700см
- Обзор товара
- Характеристики
- Комплектация
- Видео
- Настройка
- Отзывов (2)
Чем сложнее профиль металлического листа, предназначенного для сгибания, тем более сложным, и, как следствие, более дорогим будет гибочный станок для его обработки. По сути дела, наиболее простые заготовки - такие как швеллеры и металлические уголки - могут быть обработаны даже на очень простом устройстве. А вот для обработки профилей высокой точности и повышенной сложности необходимы более сложные станки.
Именно по этой причине мы разработали и готовы предложить профессиональные ручные листогибы модельного ряда РГ Днепр. Отличительной особенностью нашего станка от гибочных станков других производителей является наличие съемной гибочной губки, которая крепится к верхней прижимной балке нашего станка. Это дает возможность заменить ее в случае повреждении, либо поставив губку другой конфигурации получить возможность изготавливать профнастил различной высоты или фасадные кассеты.
Гарантия на ручного листогиба составляет 1 год с момента покупки. После окончания гарантийного срока нами обеспечивается квалифицированное послегарантийное обслуживание: поставка и замена запчастей, проведение ремонтов различной сложности.
12 основных технических преимуществ ручного листогиба
- Повышенная жесткость балок станка с возможностью регулировки предварительного напряжения.
- Прочные, надежные и долговечные поворотные шарниры станка с улучшенной системой подачи смазки к узлам трения.
- Съемная верхняя гибочная губка с возможностью быстрой замены на другой инструмент для изготовления сложных изделия: профнастила, кассет фасадных систем и т.п.
- Угол наклона верхней губки - 20°.
- Ширина нижней поворотной балки - 18 мм.
- Минимальная ширина кромки согнутой на 180º - 5 мм.
- Простые и удобные упоры угломера для ограничения угла поворота гибочной балки при серийной гибке однотипных изделий.
- Приёмный стол с регулируемыми упорами для поддержки и позиционирования листа при выполнении одинаковых операций.
- Максимальная ширина раскрытия прижимной балки - 65 мм. Прижимная балка закрывается перпендикулярно обрабатываемому листу, поэтому стальной лист не выскальзывает вперёд, и обеспечивается соблюдение точности размеров. Пружины-компенсаторы обеспечивают легкий подъем и безопасное опускание прижимной балки.
- Простые и надежные устройства регулировки усилия прижима верхней балки позволяют быстро и точно перенастраивать станок под различные толщины материала и устанавливать гибочный инструмент разной высоты.
- Применение отрезных роликов увеличенного диаметра в отрезном устройстве для получения более качественной кромки заготовок.
- Дополнительные рукояти по краям поворотной балки обеспечивают более комфортную работу на станке.
Комплект поставки ручного листогиба (стандартная комплектация) : листогибочный станок рг днепр длиной 1400мм, нож отрезной роликовый, угломер, ограничитель для угломера, приемный стол с фиксаторами.
Дополнительная комплектация ручного листогиба:
- профнастильная губка которая дает возможность изготавливать профлист высотой 6-18мм.
- сегментная губка для изготовления фасадных кассет.
- довальцовщик (роликовая догинарка фальца)
- Педальный механизм
- Амортизатор поворотного фартука
Существуют разные варианты классификации гибочных станков; один из критериев - способ, которым создается усилие изгиба. Здесь могут встречаться следующие варианты:
1) прессы - с их помощью сгибается металлическая заготовка, располагающаяся между пуансоном и матрицей; именно при помощи пуансона обеспечивается необходимое для сгибания металлического листа усилие. Питание такого гибочного станка обеспечивается при помощи гидравлического либо пневматического приводов. С помощью производственных прессов можно сгибать толстые металлические листы, а также массовые партии металлических заготовок.
2) поворотные прессы - конструктивно предусматривают специальную гибочную балку. Наверху пресса располагается специальный поворотный кронштейн, а низ агрегата не движется. Данные гибочные станки используются для работы с небольшими деталями, которые могут быть сложны в обработке;
3) ротационные прессы обеспечивают сгиб металлических заготовок, пока они проходят через вальцы станка. Подобные прессы иногда носят название вальцовые станки и могут выполняться как в мобильном, так и в стационарном вариантах. Данные типы прессов, как правило, используются при изготовлении точечных партий и работе с деталями, которые имеют сложный рельеф.
1. ПРОФИЛИРУЮЩИЕ ГУБКИ СТАНКА
На наш листогиб можно установить несколько вариантов профилирующих губок, для выполнения различных задач.

1А. Стандарнтная губка. Данная губка стандартной конфигурации устанавливается на листогиб ручной и позволяет его использовать для выполнения стандартных гибочных операций, таких как гибка доборных элементов кровли, компонентов вентиляционных систем, отливов, козырьков и т.д.

1Б. Верхняя сегментная губка. Верхняя сегментная губка устанавливается на листогибочный станок вместо гибочной губки стандартной конфигурации и позволяет гнуть на листогибе изделия с загибами со всех четырех сторон (коробки, ящики и т.д.)

1В. Верхняя и нижняя сегментные губки. Верхняя сегментная губка листогиба в комбинации с сегментным поворотным фартуком станка позволяют гнуть на листогибочном станке изделия с загибами со всех четырех сторон сложной конфигурации, такие как фасадные кассеты и сложные короба.

1Г. Профнастильная губка. Устанавливается вместо гибочной губки обычной конфигурации и позволяет изготавливать на листогибе профнастил и кровельную подшиву методом гиба. Высота волны задается формой профнастильной гибочной губки. Возможно изготовление на станке нескольких типов профнастила за счет приобретения нескольких типов оснасток разных конфигураций.

2. ОТРЕЗНОЙ РОЛИКОВЫЙ НОЖ
Приспособление, которое используется для резки листового и рулонного металла на листогибочном станке. Гибочный станок РГ имеет сквозную конструкцию и большое преимущество по сравнению с несквозными гибочными станками, позволяя с помощью отрезного ножа резать как листовой металл, так и металл, подаваемый с рулонного размотчика металла на станок.

3. УГЛОМЕР с ОГРАНИЧИТЕЛЕМ УГЛА ГИБА
Угломер представляет собой шкалу с нанесенной на нее градусной разметкой для визуального определения угла гиба при работе на листогибе. Ограничитель угломера используется при изготовлении однотипных деталей на станке с одинаковыми углами гиба и представляет собой фиксатор угла, который можно выставить в необходимое для работы положение. Ограничитель угломера позволяет зафиксировать угол на который нужно согнуть металл, таким образом все гнутые изделия получаются с одинаковым углом гиба и облегчается процесс изготовления однотипных деталей на станке.

4. ПЕРЕДНИЕ УПОРЫ
Используются для нарезания одинаковых по ширине полос металла на листогибе. С помощью передних упоров выставляется нужный размер на который необходимо резать листовой или рулонный металл, рез производится с помощью отрезного роликового ножа. Наличие передних упоров на станке позволяет существенно упростить раскрой металла, упрощая нарезание одинаковых по ширине изделий.

5. ДОПОЛНИТЕЛЬНЫЕ РУЧКИ
Применяются для более удобной работы операторов станка. При гибке небольших по своему размеру изделий оператор может браться руками за центральную часть поворотного фартука станка выполняя операцию гибки, а при гибке более габаритных листов, когда на станке работают два человека то эффективнее пользоваться боковыми рукоятками при выполнении процесса гибки.

6. ПЕДАЛЬНЫЙ МЕХАНИЗМ
Педальный механизм применяется для зажима и отжима листа на гибочном станке без использования рук оператора. Позволяет более удобно работать на станке одному человеку. При использовании педального механизма руки оператора остаются свободными что позволяет более удобно держать и выставлять заготовки металла при операциях резки и гибки на листогибочном станке.

7. КОЛЕСА И НОЖКИ для выставления станка по уровню
Используются при транспортировке станка с одного рабочего места в другое. С одной стороны напольной стойки устанавливаются колеса, а с другой специальные ножки для выставления листогибочного станка по уровню.

8. АМОРТИЗАТОРЫ
Пневматический амортизатор используется для облегчения подъема поворотного фартука на листогибе. С использованием амортизатора работать на станке становится намного легче, не требуется применения большой физической силы в процессе гибки.

9. ЗАДНИЙ ПРИЕМНЫЙ СТОЛ
Представляет собой Г-образные кронштейны с фиксаторами. При работе на станке дает возможность с помощью винтов устанавливать упоры на нужную длину, тем самым упирая в них лист металла при выполнении гибочных операций и не отмерять один и тот же размер вручную.

10. ДОВАЛЬЦОВЩИК
Ручной инструмент для обработки кромки листа. Загибает лист на 180°. Можно регулировать степень прижима.
В первую очередь, нужно принять во внимание наиболее важные для вас параметры листогибочного станка, в числе которых - длина гиба, толщина металла, глубина подачи материала, присутствие дополнительных опций, а также стоимость станка.
1. Технические характеристики листогиба - правильный выбор технических параметров
Первое и самое важное, что нужно учесть, подбирая листогиб - те технические возможности, которыми данный листогиб обладает. Данный параметр следует признать ключевым и первостепенным.
Предположим, что у вас есть эскиз металлического изделия или его чертеж, и именно это изделие вам нужно будет производить с помощью листогибочного станка. Такое изделие обладает целым рядом ключевых характеристик - оно имеет определенную толщину, определенные габариты (длина и ширина), а также некоторую геометрию (специалисты иногда используют такой термин, как "сложность изделия"). С учетом данных параметров и нужно выбирать листогибы, использующиеся для работы с подобными деталями. Правда, покупать листогибочный станок нужно всегда с запасом заявленных характеристик - это позволит уменьшить общую нагрузку, возлагаемую на оборудование, а это продлит общий срок службы листогиба. Немного денег, потраченных на чуть более мощный листогиб в будущем, обеспечит значительную экономию;
2. Стоимость листогибочного оборудования - разумный бюджет
Учитывайте собственный бюджет на приобретение листогиба. В текущих условиях пренебрегать фактором собственных финансовых возможностей просто не представляется возможным. Некоторые фирмы даже и вовсе отказываются покупать листогибы из-за того, дешевле заказать подобную деталь в специализированной компании. А если технику все же покупать необходимо, то приходится решать две задачи, которые по сути являются взаимоисключающими - с одной стороны, нужно приобрести высокопроизводительную технику, а с другой - не переплатить. При этом излишняя экономия чревата серьезными проблемами - скажем, нельзя купить качественный листогиб по стоимости вдвое меньше среднерыночной. За такую цену удастся купить разве что металлолом или некондиционный листогибочный станок, но уж никак не качественное оборудование, способное сгибать листовой материал качественно.
Невысокая стоимость листогиба, как правило, скрывает на собой определенные проблемы - неудобство и несовершенство отдельных моделей листогибов (причем об этом вы узнаете только через какое-то время после начала активной работы), а также критичность износа определенных компонентов и наличие скрытых повреждений, если речь заходит о станках, которые уже были в употреблении.
3. Репутация бренда листогиба - выбор производителя
Если вы покупаете листогибочный станок от всемирно известного производителя (например, Schroder, VanMark, Tapco и т.п.), то это не будет гарантией беспроблемной работы купленного агрегата, равно как и его хороших технических характеристик. Дополнительный минус - возникает трудности с покупкой запчастей и ремкомплектов для станка.
Если же Вы планируете купить ручной листогиб от неизвестной компании, то имеет смысл осмотреть ручной листогиб лично, чтобы определить, насколько качественной получилась сборка, а также насколько хорошо листогиб выполняет возложенные на него функции.
4. Срок службы листогиба и ремонтопригодность станка
Все станки, для создания которых используются алюминиевые сплавы, прослужат не долго, как минимум пару лет в щадящем режиме работы. А вот стальные станки будут более долговечными, но и более дорогими.
Огромным плюсом будет применение в конструкции листогиба общераспространненых марок стали. В таком случае, изготовление вышедших из строя компонентов листогибочного станка можно заказать любому грамотному станочнику.
.................................
В первую очередь, нужно принять во внимание наиболее важные для вас параметры листогибочного станка, в числе которых - длина гиба, толщина металла, глубина подачи материала, присутствие дополнительных опций, а также стоимость станка.
1. Технические характеристики листогиба - правильный выбор технических параметров
Первое и самое важное, что нужно учесть, подбирая листогиб - те технические возможности, которыми данный листогиб обладает. Данный параметр следует признать ключевым и первостепенным.
Предположим, что у вас есть эскиз металлического изделия или его чертеж, и именно это изделие вам нужно будет производить с помощью листогибочного станка. Такое изделие обладает целым рядом ключевых характеристик - оно имеет определенную толщину, определенные габариты (длина и ширина), а также некоторую геометрию (специалисты иногда используют такой термин, как "сложность изделия"). С учетом данных параметров и нужно выбирать листогибы, использующиеся для работы с подобными деталями. Правда, покупать листогибочный станок нужно всегда с запасом заявленных характеристик - это позволит уменьшить общую нагрузку, возлагаемую на оборудование, а это продлит общий срок службы листогиба. Немного денег, потраченных на чуть более мощный листогиб в будущем, обеспечит значительную экономию;
2. Стоимость листогибочного оборудования - разумный бюджет
Учитывайте собственный бюджет на приобретение листогиба. В текущих условиях пренебрегать фактором собственных финансовых возможностей просто не представляется возможным. Некоторые фирмы даже и вовсе отказываются покупать листогибы из-за того, дешевле заказать подобную деталь в специализированной компании. А если технику все же покупать необходимо, то приходится решать две задачи, которые по сути являются взаимоисключающими - с одной стороны, нужно приобрести высокопроизводительную технику, а с другой - не переплатить. При этом излишняя экономия чревата серьезными проблемами - скажем, нельзя купить качественный листогиб по стоимости вдвое меньше среднерыночной. За такую цену удастся купить разве что металлолом или некондиционный листогибочный станок, но уж никак не качественное оборудование, способное сгибать листовой материал качественно.
Невысокая стоимость листогиба, как правило, скрывает на собой определенные проблемы - неудобство и несовершенство отдельных моделей листогибов (причем об этом вы узнаете только через какое-то время после начала активной работы), а также критичность износа определенных компонентов и наличие скрытых повреждений, если речь заходит о станках, которые уже были в употреблении.
3. Репутация бренда листогиба - выбор производителя
Если вы покупаете листогибочный станок от всемирно известного производителя (например, Schroder, VanMark, Tapco и т.п.), то это не будет гарантией беспроблемной работы купленного агрегата, равно как и его хороших технических характеристик. Дополнительный минус - возникает трудности с покупкой запчастей и ремкомплектов для станка.
Если же Вы планируете купить ручной листогиб от неизвестной компании, то имеет смысл осмотреть ручной листогиб лично, чтобы определить, насколько качественной получилась сборка, а также насколько хорошо листогиб выполняет возложенные на него функции.
4. Срок службы листогиба и ремонтопригодность станка
Все станки, для создания которых используются алюминиевые сплавы, прослужат не долго, как минимум пару лет в щадящем режиме работы. А вот стальные станки будут более долговечными, но и более дорогими.
Огромным плюсом будет применение в конструкции листогиба общераспространненых марок стали. В таком случае, изготовление вышедших из строя компонентов листогибочного станка можно заказать любому грамотному станочнику.
.................................
Мы поможем Вам подобрать оптимальную модель листогиба с учетом имеющихся у вас запросов.
Настройка точности гиба
Настройка прижима металла
Нет вопросов о данном товаре, станьте первым и задайте свой вопрос.